Brazed Tools
Follow us on
Special Brazed Tools Geometries for Diverse Applications
Our Brazed tool allows for the replacement of just the carbide tip instead of the entire tool, offering a more economical solution for reducing tooling costs without compromising performance.
Special Brazed Tools Geometries by GTW
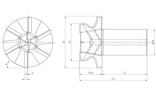
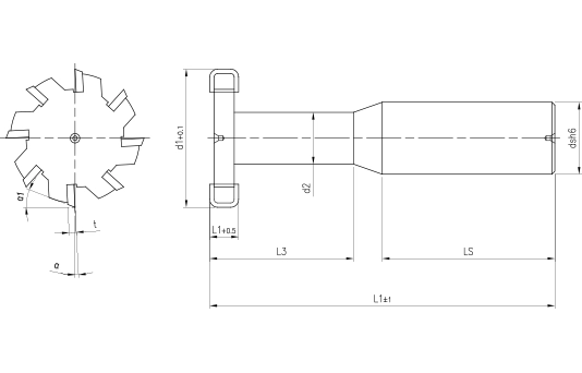
Features of GTW BT0403/BT0603/BT0803 Geometry
| 04 or 06 or 8 Straight flute |
| Right hand cut |
| Maximize cutting efficiency and minimize tool wear |
| Reduced cutting forces for smoother operations |
| Improved chip flow and reduced risk of material build-up |
| With or without internal coolant holes |
| L/D Ratio – Up to 4 |
| Diameter Range – 20mm to 135mm |
| Cylindrical Shank – DIN 1835 HA/HB/HE |
Application Material for GTW BT0403/BT0603/BT0803 Geometry
| 1.1.1 | Machining Steel |
|---|---|
| 1.1.2 | |
| 1.2.1 | Construction Steel |
| 1.2.2 | |
| 1.2.3 | |
| 1.3.1 | Spring Steel |
| 1.3.2 | |
| 1.3.3 | |
| 2.1.1 | Cementation Steel |
| 2.1.2 | |
| 2.1.3 | |
| 2.2.1 | Nitriding Steel |
| 2.2.2 | |
| 2.3.1 | Tempered Steel |
| 2.3.2 | |
| 2.3.3 | |
| 2.3.4 | |
| 2.3.5 | |
| 2.3.6 | |
| 3.1.1 | Unalloyed Tool Steel |
| 3.2.1 | Tool Steel for Cold Working |
| 3.2.2 | |
| 3.2.3 | |
| 3.2.4 | |
| 3.2.5 | |
| 3.3.1 | Tool Steel for Hot Working |
| 3.3.2 | |
| 3.3.3 | |
| 3.3.4 | |
| 3.3.5 | |
| 3.5.1 | Tempered Tool Steel |
| 3.5.2 | |
| 3.5.3 | |
| 3.5.4 | |
| 3.5.5 | |
| 4.1.1 | Stainless Steel |
| 4.1.2 | |
| 4.1.3 | |
| 4.1.4 | |
| 4.1.5 | |
| 4.2.1 | Heat Resistant Alloys |
| 4.2.2 | |
| 4.2.3 | |
| 4.2.4 | |
| 7.1.1 | Aluminium |
| 7.1.2 | |
| 7.1.3 | |
| 7.1.4 | |
| 7.1.5 | |
| 7.1.6 | |
| 7.2.1 | Magnesium |
| 7.2.2 | |
| 7.8.1 | Titanium |
| 7.8.2 | |
| 7.8.3 |