End Mills
Follow us on
Special End Mills Geometries for Diverse Applications
Our End mills are designed for high-speed machining, enabling faster production times while maintaining quality and precision.
Special End Mills Geometries by GTW
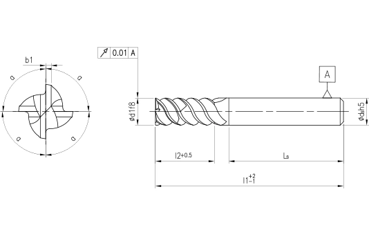
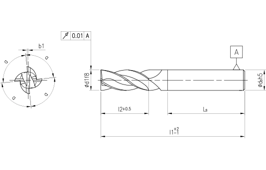
Features of GTFM 2240 GEOMETRY
| 02 Spiral flute |
| 01 Cutting edges over centre |
| Right hand cut |
| without internal coolant holes |
| L/D Ratio – Up to 4 |
| Diameter Range – 1mm to 20mm |
| PVD Coated – As per application |
| Cylindrical Shank – DIN 6535 HA/HB/HE |
Application Material for GTFM 2240 GEOMETRY
| 1.1.1 | Free Machining Steel |
|---|---|
| 1.1.2 | |
| 1.2.1 | Constructional Steel |
| 1.2.2 | |
| 1.2.3 | |
| 2.1.1 | Cementation Steel |
| 2.1.2 | |
| 2.1.3 | |
| 2.2.1 | Nitriding Steel |
| 2.2.2 | |
| 2.3.1 | Tempered Steel |
| 2.3.2 | |
| 2.3.3 | |
| 2.3.4 | |
| 2.3.5 | |
| 4.1.1 | Stainless Steel |
| 4.1.2 | |
| 4.1.3 | |
| 4.1.4 | |
| 4.1.5 | |
| 4.2.1 | Heat Resistant Alloys |
| 4.2.2 | |
| 4.2.3 | |
| 4.2.4 | |
| 5.1.1 | Conventional Cast Steel |
| 5.1.2 | |
| 5.1.3 | |
| 5.2.1 | Stainless Cast Steel |
| 5.2.2 | |
| 6.1.1 | Lamellar Graphite Cast Iron |
| 6.1.2 | |
| 6.1.3 | |
| 6.1.4 | |
| 6.2.1 | Spheroidal Cast Iron |
| 6.2.2 | |
| 6.2.3 | |
| 6.3.1 | White Malleable Cast Iron |
| 6.3.2 | |
| 6.4.1 | Black Malleable Cast Iron |
| 6.4.2 | |
| 7.1.1 | Aluminium |
| 7.1.2 | |
| 7.1.3 | |
| 7.1.4 | |
| 7.1.5 | |
| 7.1.6 | |
| 7.2.1 | Magnesium |
| 7.2.2 | |
| 7.3.1 | Copper |
| 7.3.2 | |
| 7.3.3 | |
| 7.3.4 | |
| 7.3.5 | |
| 7.3.6 | |
| 7.4.1 | CnZn (Brass) |
| 7.4.2 | |
| 7.5.1 | CuSn (Bronze) |
| 7.5.2 | |
| 7.6.1 | CuAlFe (Ampco) |
| 7.6.2 | |
| 7.8.1 | Titanium |
| 7.8.2 | |
| 7.8.3 |
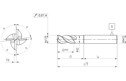
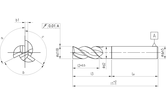
GTFM 3950 GEOMETRY
| 03 Spiral flute |
| 01 Cutting edges over centre |
| Right hand cut |
| without internal coolant holes |
| L/D Ratio – Up to 4 |
| Diameter Range – 4mm to 20mm |
| PVD Coated – As per application |
| Cylindrical Shank – DIN 6535 HA/HB/HE |
Application Material for GTFM 3950 GEOMETRY
| 1.1.1 | Free Machining Steel |
|---|---|
| 1.1.2 | |
| 1.2.1 | Constructional Steel |
| 1.2.2 | |
| 1.2.3 | |
| 2.1.1 | Cementation Steel |
| 2.1.2 | |
| 2.1.3 | |
| 2.2.1 | Nitriding Steel |
| 2.2.2 | |
| 2.3.1 | Tempered Steel |
| 2.3.2 | |
| 2.3.3 | |
| 2.3.4 | |
| 2.3.5 | |
| 4.1.1 | Stainless Steel |
| 4.1.2 | |
| 4.1.3 | |
| 4.1.4 | |
| 4.1.5 | |
| 4.2.1 | Heat Resistant Alloys |
| 4.2.2 | |
| 4.2.3 | |
| 4.2.4 | |
| 5.1.1 | Conventional Cast Steel |
| 5.1.2 | |
| 5.1.3 | |
| 5.2.1 | Stainless Cast Steel |
| 5.2.2 | |
| 6.1.1 | Lamellar Graphite Cast Iron |
| 6.1.2 | |
| 6.1.3 | |
| 6.1.4 | |
| 6.2.1 | Spheroidal Cast Iron |
| 6.2.2 | |
| 6.2.3 | |
| 6.3.1 | White Malleable Cast Iron |
| 6.3.2 | |
| 6.4.1 | Black Malleable Cast Iron |
| 6.4.2 | |
| 7.1.1 | Aluminium |
| 7.1.2 | |
| 7.1.3 | |
| 7.1.4 | |
| 7.1.5 | |
| 7.1.6 | |
| 7.2.1 | Magnesium |
| 7.2.2 | |
| 7.3.1 | Copper |
| 7.3.2 | |
| 7.3.3 | |
| 7.3.4 | |
| 7.3.5 | |
| 7.3.6 | |
| 7.4.1 | CnZn (Brass) |
| 7.4.2 | |
| 7.5.1 | CuSn (Bronze) |
| 7.5.2 | |
| 7.6.1 | CuAlFe (Ampco) |
| 7.6.2 | |
| 7.8.1 | Titanium |
| 7.8.2 | |
| 7.8.3 |
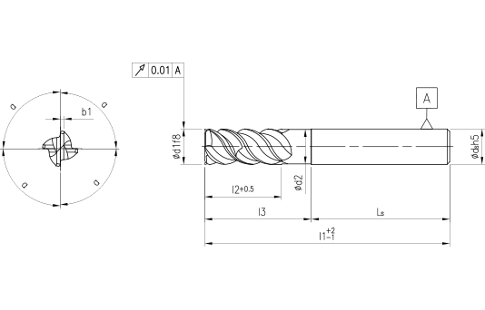
Features of GTFM 3240 Geometry
| 03 Spiral flute |
| 01 Cutting edges over centre |
| Right hand cut |
| without internal coolant holes |
| L/D Ratio – Up to 3 |
| Diameter Range – 3mm to 20mm |
| PVD Coated – As per application |
| Cylindrical Shank – DIN 6535 HA/HB/HE |
Application Material for GTFM 3240 GEOMETRY
| 1.1.1 | Free Machining Steel |
|---|---|
| 1.1.2 | |
| 1.2.1 | Constructional Steel |
| 1.2.2 | |
| 1.2.3 | |
| 2.1.1 | Cementation Steel |
| 2.1.2 | |
| 2.1.3 | |
| 2.2.1 | Nitriding Steel |
| 2.2.2 | |
| 2.3.1 | Tempered Steel |
| 2.3.2 | |
| 2.3.3 | |
| 2.3.4 | |
| 2.3.5 | |
| 4.1.1 | Stainless Steel |
| 4.1.2 | |
| 4.1.3 | |
| 4.1.4 | |
| 4.1.5 | |
| 4.2.1 | Heat Resistant Alloys |
| 4.2.2 | |
| 4.2.3 | |
| 4.2.4 | |
| 5.1.1 | Conventional Cast Steel |
| 5.1.2 | |
| 5.1.3 | |
| 5.2.1 | Stainless Cast Steel |
| 5.2.2 | |
| 6.1.1 | Lamellar Graphite Cast Iron |
| 6.1.2 | |
| 6.1.3 | |
| 6.1.4 | |
| 6.2.1 | Spheroidal Cast Iron |
| 6.2.2 | |
| 6.2.3 | |
| 6.3.1 | White Malleable Cast Iron |
| 6.3.2 | |
| 6.4.1 | Black Malleable Cast Iron |
| 6.4.2 | |
| 7.1.1 | Aluminium |
| 7.1.2 | |
| 7.1.3 | |
| 7.1.4 | |
| 7.1.5 | |
| 7.1.6 | |
| 7.2.1 | Magnesium |
| 7.2.2 | |
| 7.3.1 | Copper |
| 7.3.2 | |
| 7.3.3 | |
| 7.3.4 | |
| 7.3.5 | |
| 7.3.6 | |
| 7.4.1 | CnZn (Brass) |
| 7.4.2 | |
| 7.5.1 | CuSn (Bronze) |
| 7.5.2 | |
| 7.6.1 | CuAlFe (Ampco) |
| 7.6.2 | |
| 7.8.1 | Titanium |
| 7.8.2 | |
| 7.8.3 |
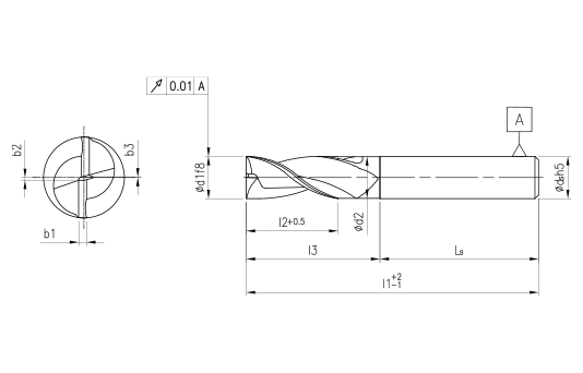
Features of GTFM 3350 Geometry
| 03 Spiral flute. |
| 01 Cutting edges over centre. |
| Right hand cut. |
| without internal coolant holes. |
| L/D Ratio – Up to 3. |
| Diameter Range – 3mm to 20mm. |
| PVD Coated – As per application. |
| Cylindrical Shank – DIN 6535 HA/HB/HE. |
Application Material for GTFM 3350 GEOMETRY
| 7.1.1 | Aluminium |
|---|---|
| 7.1.2 | |
| 7.1.3 | |
| 7.1.4 | |
| 7.1.5 | |
| 7.1.6 | |
| 7.2.1 | Magnesium |
| 7.2.2 | |
| 7.3.1 | Copper |
| 7.3.2 | |
| 7.3.3 | |
| 7.3.4 | |
| 7.3.5 | |
| 7.3.6 | |
| 7.4.1 | CnZn (Brass) |
| 7.4.2 | |
| 7.5.1 | CuSn (Bronze) |
| 7.5.2 | |
| 7.6.1 | CuAlFe (Ampco) |
| 7.6.2 |
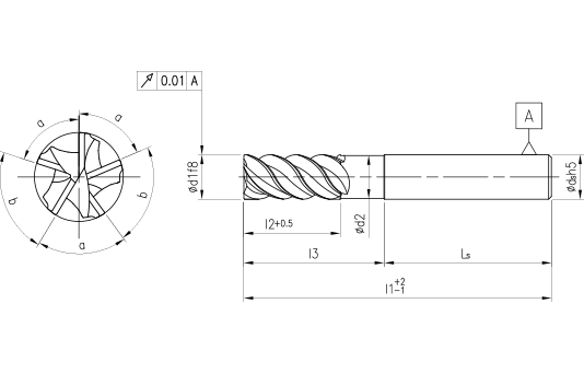
Features of GTFM 4910 Geometry
| 04 Spiral flute. |
| Reduced cutting force. |
| Right hand cut. |
| without internal coolant holes. |
| L/D Ratio – Up to 3. |
| Diameter Range – 4mm to 20mm. |
| PVD Coated – As per application. |
| Cylindrical Shank – DIN 6535 HA/HB/HE. |
Application Material for GTFM 4910 GEOMETRY
| 1.3.1 | Spring Steel |
|---|---|
| 1.3.2 | |
| 1.3.3 | |
| 2.2.2 | Nitriding Steel |
| 2.3.4 | Tempered Steel |
| 2.3.5 | |
| 2.3.6 | |
| 3.2.1 | Tool Steel for Cold Working |
| 3.2.2 | |
| 3.2.3 | |
| 3.2.4 | |
| 3.2.5 | |
| 3.3.1 | Tool Steel for Hot Working |
| 3.3.2 | |
| 3.3.3 | |
| 3.3.4 | |
| 3.3.5 | |
| 3.5.1 | Tempered Tool Steel |
| 3.5.2 | |
| 3.5.3 |
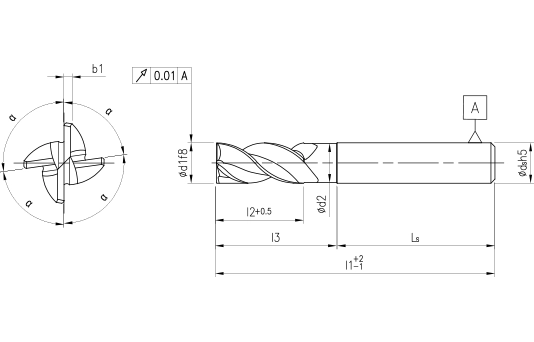
Features of GTFM 4240 Geometry
| 04 Spiral flute |
| Reduced cutting force |
| 02 cutting edges cutting to the centre |
| Linear relief angle |
| Right hand cut |
| without internal coolant holes |
| L/D Ratio – Up to 3 |
| Diameter Range – 2mm to 20mm |
| PVD Coated – As per application |
| Cylindrical Shank – DIN 6535 HA/HB/HE |
Application Material for GTFM 4240 GEOMETRY
| 2.2.1 | Nitriding Steel |
|---|---|
| 2.2.2 | |
| 2.3.1 | Tempered Steel |
| 2.3.2 | |
| 2.3.3 | |
| 2.3.4 | |
| 2.3.5 | |
| 2.3.6 | |
| 4.1.1 | Stainless Steel |
| 4.1.2 | |
| 4.1.3 | |
| 4.1.4 | |
| 4.1.5 |
Features of GTFM 4350 Geometry
| 04 Spiral flute |
| Reduced cutting force |
| 02 cutting edges cutting over centre |
| Right hand cut |
| without internal coolant holes |
| L/D Ratio – Up to 3 |
| Diameter Range – 3mm to 20mm |
| PVD Coated – As per application |
| Cylindrical Shank – DIN 6535 HA/HB/HE |
Application Material for GTFM 4350 GEOMETRY
| 7.1.1 | Aluminium |
|---|---|
| 7.1.2 | |
| 7.1.3 | |
| 7.1.4 | |
| 7.1.5 | |
| 7.1.6 | |
| 7.2.1 | Magnesium |
| 7.2.2 | |
| 7.3.1 | Copper |
| 7.3.2 | |
| 7.3.3 | |
| 7.3.4 | |
| 7.3.5 | |
| 7.3.6 | |
| 7.4.1 | CnZn (Brass) |
| 7.4.2 | |
| 7.5.1 | CuSn (Bronze) |
| 7.5.2 | |
| 7.6.1 | CuAlFe (Ampco) |
| 7.6.2 |
Features of GTFM 4940 Geometry
| 04 Spiral flute |
| 02 cutting edge to centre |
| Right hand cut |
| without internal coolant holes |
| L/D Ratio – Up to 3 |
| Diameter Range – 4mm to 20mm |
| PVD Coated – As per application |
| Cylindrical Shank – DIN 6535 HA/HB/HE |
Application Material for GTFM 4940 GEOMETRY
| 1.3.1 | Spring Steel |
|---|---|
| 1.3.2 | |
| 1.3.3 | |
| 2.2.2 | Nitriding Steel |
| 2.3.4 | Tempered Steel |
| 2.3.5 | |
| 2.3.6 | |
| 3.2.1 | Tool Steel For Cold Working |
| 3.2.2 | |
| 3.2.3 | |
| 3.2.4 | |
| 3.2.5 | |
| 3.3.1 | Tool Steel For Hot Working |
| 3.3.2 | |
| 3.3.3 | |
| 3.3.4 | |
| 3.3.5 | |
| 3.5.1 | Tempered Tool Steel |
Features of GTFM 4950 Geometry
| 04 Spiral flute |
| 02 cutting edge to the centre |
| Right hand cut |
| without internal coolant holes |
| L/D Ratio – Up to 3 |
| Diameter Range – 3mm to 20mm |
| PVD Coated – As per application |
| Cylindrical Shank – DIN 6535 HA/HB/HE |
Application Material for GTFM 4950 GEOMETRY
| 1.1.1 | Machining Steel |
|---|---|
| 1.1.2 | |
| 1.2.1 | Constructional Steel |
| 1.2.2 | |
| 1.2.3 | |
| 1.3.1 | Spring Steel |
| 1.3.2 | |
| 1.3.3 | |
| 2.1.1 | Cementation Steel |
| 2.1.2 | |
| 2.1.3 | |
| 2.2.1 | Nitriding Steel |
| 2.2.2 | |
| 2.3.1 | Tempered Steel |
| 2.3.2 | |
| 2.3.3 | |
| 2.3.4 | |
| 2.3.5 | |
| 2.3.6 | |
| 3.1.1 | Unalloyed Tool Steel |
| 3.2.1 | Tool Steel For Cold Working |
| 3.2.2 | |
| 3.2.3 | |
| 3.2.4 | |
| 3.2.5 | |
| 3.3.1 | Tool Steel For Hot Working |
| 3.3.2 | |
| 3.3.3 | |
| 3.3.4 | |
| 3.3.5 | |
| 5.1.1 | Conventional Cast Steel |
| 5.1.2 | |
| 5.1.3 | |
| 5.2.1 | Stainless Cast Steel |
| 5.2.2 | |
| 6.1.1 | Lamellar Graphite Cast Iron |
| 6.1.2 | |
| 6.1.3 | |
| 6.1.4 | |
| 6.2.1 | Spheroidal Cast Iron |
| 6.2.2 | |
| 6.2.3 | |
| 6.3.1 | White Malleable Cast Iron |
| 6.3.2 | |
| 6.4.1 | Black Malleable Cast Iron |
| 6.4.2 |
Features of GTFM 4960 Geometry
| 04 Spiral flute |
| 02 cutting edge to the centre |
| Right hand cut |
| without internal coolant holes |
| L/D Ratio – Up to 3 |
| Diameter Range – 3mm to 20mm |
| PVD Coated – As per application |
| Cylindrical Shank – DIN 6535 HA/HB/HE |
Application Material for GTFM 4960 GEOMETRY
| 1.1.1 | Machining Steel |
|---|---|
| 1.1.2 | |
| 1.2.1 | Construction Steel |
| 1.2.2 | |
| 1.2.3 | |
| 2.1.1 | Cementation Steel |
| 2.1.2 | |
| 2.1.3 | |
| 2.2.1 | Nitriding Steel |
| 2.2.2 | |
| 2.3.1 | Tempered Steel |
| 2.3.2 | |
| 2.3.3 | |
| 2.3.4 | |
| 2.3.5 | |
| 2.3.6 | |
| 3.1.1 | Unalloyed Tool Steel |
| 3.2.1 | |
| 3.2.2 | Tool Steel For Cold Working |
| 3.2.3 | |
| 3.2.4 | |
| 3.2.5 | |
| 3.3.1 | Tool Steel For Hot Working |
| 3.3.2 | |
| 3.3.3 | |
| 3.3.4 | |
| 3.3.5 | |
| 4.1.1 | Stainless Steel |
| 4.1.2 | |
| 4.1.3 | |
| 4.1.4 | |
| 4.1.5 | |
| 4.2.1 | Heat Resistant Alloys |
| 4.2.2 | |
| 4.2.3 | |
| 4.2.4 | |
| 5.1.1 | Conventional Cast Steel |
| 5.1.2 | |
| 5.1.3 | |
| 5.2.1 | Stainless Cast Steel |
| 5.2.2 | |
| 6.1.1 | Lamellar Graphite Cast Iron |
| 6.1.2 | |
| 6.1.3 | |
| 6.1.4 | |
| 6.2.1 | Spheroidal Cast Iron |
| 6.2.2 | |
| 6.2.3 | |
| 6.3.1 | White Malleable Cast Iron |
| 6.3.2 | |
| 6.4.1 | Black Malleable Cast Iron |
| 6.4.2 | |
| 7.3.1 | Copper |
| 7.3.2 | |
| 7.3.3 | |
| 7.3.4 | |
| 7.3.5 | |
| 7.3.6 | |
| 7.4.1 | CnZn (Brass) |
| 7.4.2 | |
| 7.5.1 | CuSn (Bronze) |
| 7.5.2 | |
| 7.6.1 | CuAlFe (Ampco) |
| 7.6.2 | |
| 7.8.1 | Titanium |
| 7.8.2 | |
| 7.8.3 |
Features of GTFM 5950 Geometry
| 05 Spiral flute. |
| 02 cutting edge to the centre. |
| Straight cutting edge. |
| Right hand cut. |
| Increased metal removal rate. |
| Irregular pitch. |
| without internal coolant holes. |
| L/D Ratio – Up to 3. |
| Diameter Range – 3mm to 20mm. |
| PVD Coated – As per application. |
| Cylindrical Shank – DIN 6535 HA/HB/HE. |
Application Material for GTFM 5950 GEOMETRY
| 4.1.1 | Stainless Steel |
|---|---|
| 4.1.2 | |
| 4.1.3 | |
| 4.1.4 | |
| 4.1.5 | |
| 4.2.1 | Heat Resistant Alloys |
| 4.2.2 | |
| 4.2.3 | |
| 4.2.4 | |
| 5.2.1 | Stainless Cast Steel |
| 5.2.2 | |
| 7.8.1 | Titanium |
| 7.8.2 | |
| 7.8.3 |
Features of GTFM 6250 Geometry
| 06 or 08 Spiral flute |
| 02 cutting edges to the centre |
| excellent surface finish and precision |
| Right hand cut |
| High metal removal rate |
| Ideal for high-speed milling operations |
| without internal coolant holes |
| L/D Ratio – Up to 3 |
| Diameter Range – 3mm to 20mm |
| PVD Coated – As per application |
| Cylindrical Shank – DIN 6535 HA/HB/HE |
Application Material for GTFM 6250 GEOMETRY
| 1.1.1 | Machining Steel |
|---|---|
| 1.1.2 | |
| 1.2.1 | Construction Steel |
| 1.2.2 | |
| 1.2.3 | |
| 2.1.1 | Cementation Steel |
| 2.1.2 | |
| 2.1.3 | |
| 2.2.1 | Nitriding Steel |
| 2.2.2 | |
| 2.3.1 | Tempered Steel |
| 2.3.2 | |
| 2.3.3 | |
| 2.3.4 | |
| 2.3.5 | |
| 4.1.1 | Stainless Steel |
| 4.1.2 | |
| 4.1.3 | |
| 4.1.4 | |
| 4.1.5 | |
| 4.2.1 | Heat Resistant Alloys |
| 4.2.2 | |
| 4.2.3 | |
| 4.2.4 | |
| 5.1.1 | Conventional Cast Steel |
| 5.1.2 | |
| 5.1.3 | |
| 5.2.1 | Stainless Cast Steel |
| 5.2.2 | |
| 6.1.1 | Lamellar Graphite Cast Iron |
| 6.1.2 | |
| 6.1.3 | |
| 6.1.4 | |
| 6.2.1 | Spheroidal Cast Iron |
| 6.2.2 | |
| 6.2.3 | |
| 6.3.1 | White Malleable Cast Iron |
| 6.3.2 | |
| 6.4.1 | Black Malleable Cast Iron |
| 6.4.2 | |
| 7.1.1 | Aluminium |
| 7.1.2 | |
| 7.1.3 | |
| 7.1.4 | |
| 7.1.5 | |
| 7.1.6 | |
| 7.2.1 | Magnesium |
| 7.2.2 | |
| 7.3.1 | Copper |
| 7.3.2 | |
| 7.3.3 | |
| 7.3.4 | |
| 7.3.5 | |
| 7.3.6 | |
| 7.4.1 | CnZn (Brass) |
| 7.4.2 | |
| 7.5.1 | CuSn (Bronze) |
| 7.5.2 | |
| 7.6.1 | CuAlFe (Ampco) |
| 7.6.2 | |
| 7.8.1 | Titanium |
| 7.8.2 | |
| 7.8.3 |