Fir Tree Cutter

Special Fire Tree Cutter Geometries for Diverse Applications

Our Fir tree tools deliver outstanding results on a wide range of materials.

Special Fir Tree Cutter Geometries by GTW

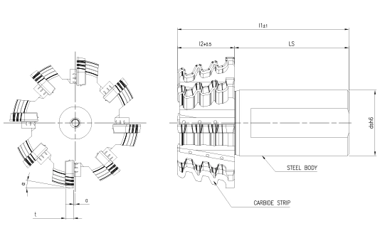
GTW FT0605/FT0805 GEOMETRY

Application:

High Performance of complex Fir-Tree tool Geometry, Suitable for high-speed operations and high accuracy, even in high-temperature applications, Consistent, high-quality cuts, even in tough materials like steel alloys and stainless steel.

Next
Prev

Features of GTW FT0605/FT0805 Geometry

06 or 8 Straight flute
Right hand cut
Efficient chip removal and smooth cutting
Reduced tool wear and longer tool life
High precision cutting of tough materials
Ability to create fir tree slots with specific depths and tolerances
With or without internal coolant holes
L/D Ratio – Up to 4
Diameter Range – 20mm to 135mm
Cylindrical Shank – DIN 1835 HA/HB/HE

Application Material for GTW FT0605/FT0805 Geometry

4.1.1 Stainless Steel
4.1.2
4.1.3
4.1.4
4.1.5
+